集合裝置系統/配件
集合裝置系統
集合裝置閥系列
集合裝置加熱器
集合裝置配件
配管用調整器
逆火防爆元件
過濾器
小型閥系列
 
 
 
 
 
 
 
 
集合裝置系統

 氧氣集合裝置 乙炔集合裝置 CO2集合裝置 N2集合裝置
 
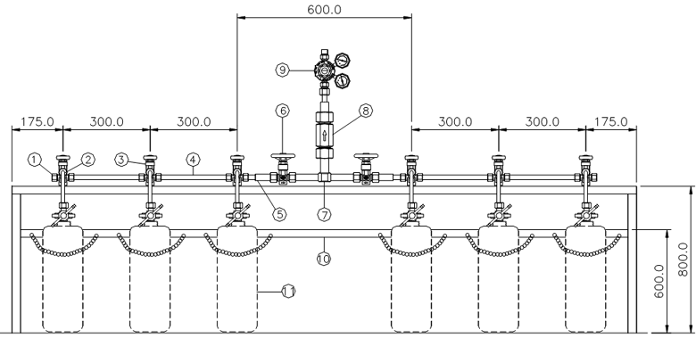
乙炔用集合裝置 : 3X3



規格 :
 
  1. 盲栓 (ENDCAP 22)
2. 氧氣用連接管部 (AC-CU-YK)
3. 三方閥 (NV-3W)
4. 無縫不鏽鋼管 (SS-CP/200)
5. 轉換接管附逆止閥 (CP 29-22/CV)
6. 高壓主切替閥( SV-180 )
7. 防爆器用T型管 (TP-ARRE)
8. 136大型防爆器 (136ARR )
9. 大型調整器 (SR-22 )
10. 固定鐵架
11. 鋼瓶



Telephone


Facsimile

E-mail

Address
+886-2-2809-5789
+886-2-2809-3567
+886-2-2809-6189
新北市淡水區八勢一街5號備有停車埸

Copyright © 2006銘伸企業股份有限公司 版權所有•轉載必究